| Cantidad: | |
|---|---|
CORTADORA DE TUBOS 3/8'-2' (TWQ-VIA)
La máquina cortadora de tubos de 3/8'-2' TWQ-VIA está diseñada para cortar tubos de acero al carbono y tubos galvanizados con un diámetro exterior de 3/8' (16 mm) - 2' (60 mm) y un espesor de pared máximo de 4 mm .Produce un corte limpio y recto sin chispas, llama abierta o material abrasivo.
CARACTERÍSTICAS DEL PRODUCTO
● Sin ruidos fuertes
● Sin chispas, sin llama abierta durante el proceso de corte
● Produzca un corte limpio y cuadrado con un mínimo de rebabas
ESPECIFICACIONES DEL PRODUCTO
● Número de modelo: TWQ-VIA
● Capacidad.:
Ser capaz de cortar directamente tuberías de acero de Φ3/8'-Φ2' Schedule 20, Schedule 40 y tuberías galvanizadas con un espesor de pared de hasta 4 mm.
● Parámetro del motor:
- Fase: Monofásico/Trifásico.
- Voltaje: 220V/230V/240V/380V/440V.
- Frecuencia: 50Hz/60Hz.
Ser suministrado en varios parámetros para cumplir con diferentes fuentes de alimentación de diferentes países y regiones.
● Detalles del embalaje
- Caja de madera 330mm x 370mm x 660mm
- Peso:43kg Neto/55kg Bruto
● Parámetro técnico
Espesor máximo de pared de tubería | 4 mm |
Carrera del cilindro de aceite: | 60 mm |
Capacidad del tanque de aceite: | 85ml |
Presión del cilindro de aceite: | 37Mpa |
Velocidad de operacion: | 23rpm |
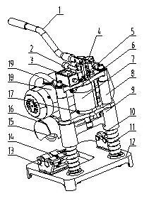
PIEZAS PRINCIPALES DEL PRODUCTO
No. | Descripción | Cantidad |
1 | Manija de la bomba | Uno 1) |
2 | Mango de alivio | Uno 1) |
3 | Interruptor encendido / apagado | Uno 1) |
4 | Tornillo de límite | Uno 1) |
5 | Tapón de llenado | Uno 1) |
6 | Válvula de seguridad | Uno 1) |
7 | Cilindro de aceite | Uno 1) |
8 | Puesto de guía | dos (2) |
9 | Estante de enlace | dos (2) |
10 | Asiento de ruedas corto | Uno 1) |
11 | Primavera | Uno 1) |
12 | Base | Uno 1) |
13 | Asiento de rodillo largo | Uno 1) |
14 | Hoja de sierra | Uno 1) |
15 | Cuchilla de corte | Uno 1) |
16 | Escudo de hoja | Uno 1) |
17 | Enchufe de liberación | Uno 1) |
18 | motorreductor | Uno 1) |
19 | Mango protector | Uno 1) |
DISEÑO ESPECIAL DEL PRODUCTO
Mango de alivio
Después de cortar la tubería, presione la manija de alivio para permitir que la hoja de corte regrese a su posición alta original junto con la cremallera de enlace.
Tornillo de límite
Durante la operación, puede variar la posición del tornillo de límite según el diámetro de la tubería para obtener la posición preferida de la carrera de la cremallera y la cuchilla de corte, lo que resulta en un mayor rendimiento de corte.
Aviso
Asegúrese de leer todas las instrucciones y avisos en el Manual del usuario, familiarícese con la función de cada pieza y el funcionamiento de esta máquina antes de usarla.El no hacerlo puede causar daños a la máquina o lesiones personales graves.
ENTREGA Y ENVÍO DEL PRODUCTO
NUESTRO SERVICIO
Nuestra empresa conjunta TUWEI de fábrica con Victaulic, una empresa estadounidense famosa que es fabricante de acoplamientos y accesorios ranurados, hemos desarrollado nuestro laboratorio para desarrollar nuevos productos y hacer tantas pruebas como podamos antes del lanzamiento de nuevos productos.Ahora, el nuevo nombre de nuestra empresa es ZHEJIANG VICTAULIC-TUWEI PIPING EQUIPMENT CO.,LTD.
El 'Mantenimiento' y 'Solución de problemas' en el Manual del usuario cubre la mayoría de las necesidades de servicio de esta máquina.Cualquier problema de funcionamiento, mal funcionamiento o requisitos de piezas de desgaste rápido, póngase en contacto con el equipo de ventas de TUWEI como se indica a continuación para obtener la información de contacto del centro de servicio/distribuidor más cercano o el servicio directo de TUWEI.
Nombre de la empresa: ZHEJIANG VICTAULIC-TUWEI PIPING EQUIPMENT CO., LTD.
Dirección: No. 22 Beiyuan Avenue, Zona de desarrollo de Beicheng, Huangyan, 318020, Taizhou, Provincia de Zhejiang, China
Teléfono: 0086-576-84715288
CORTADORA DE TUBOS 3/8'-2' (TWQ-VIA)
La máquina cortadora de tubos de 3/8'-2' TWQ-VIA está diseñada para cortar tubos de acero al carbono y tubos galvanizados con un diámetro exterior de 3/8' (16 mm) - 2' (60 mm) y un espesor de pared máximo de 4 mm .Produce un corte limpio y recto sin chispas, llama abierta o material abrasivo.
CARACTERÍSTICAS DEL PRODUCTO
● Sin ruidos fuertes
● Sin chispas, sin llama abierta durante el proceso de corte
● Produzca un corte limpio y cuadrado con un mínimo de rebabas
ESPECIFICACIONES DEL PRODUCTO
● Número de modelo: TWQ-VIA
● Capacidad.:
Ser capaz de cortar directamente tuberías de acero de Φ3/8'-Φ2' Schedule 20, Schedule 40 y tuberías galvanizadas con un espesor de pared de hasta 4 mm.
● Parámetro del motor:
- Fase: Monofásico/Trifásico.
- Voltaje: 220V/230V/240V/380V/440V.
- Frecuencia: 50Hz/60Hz.
Ser suministrado en varios parámetros para cumplir con diferentes fuentes de alimentación de diferentes países y regiones.
● Detalles del embalaje
- Caja de madera 330mm x 370mm x 660mm
- Peso:43kg Neto/55kg Bruto
● Parámetro técnico
Espesor máximo de pared de tubería | 4 mm |
Carrera del cilindro de aceite: | 60 mm |
Capacidad del tanque de aceite: | 85ml |
Presión del cilindro de aceite: | 37Mpa |
Velocidad de operacion: | 23rpm |
PIEZAS PRINCIPALES DEL PRODUCTO
No. | Descripción | Cantidad |
1 | Manija de la bomba | Uno 1) |
2 | Mango de alivio | Uno 1) |
3 | Interruptor encendido / apagado | Uno 1) |
4 | Tornillo de límite | Uno 1) |
5 | Tapón de llenado | Uno 1) |
6 | Válvula de seguridad | Uno 1) |
7 | Cilindro de aceite | Uno 1) |
8 | Puesto de guía | dos (2) |
9 | Estante de enlace | dos (2) |
10 | Asiento de ruedas corto | Uno 1) |
11 | Primavera | Uno 1) |
12 | Base | Uno 1) |
13 | Asiento de rodillo largo | Uno 1) |
14 | Hoja de sierra | Uno 1) |
15 | Cuchilla de corte | Uno 1) |
16 | Escudo de hoja | Uno 1) |
17 | Enchufe de liberación | Uno 1) |
18 | motorreductor | Uno 1) |
19 | Mango protector | Uno 1) |
DISEÑO ESPECIAL DEL PRODUCTO
Mango de alivio
Después de cortar la tubería, presione la manija de alivio para permitir que la hoja de corte regrese a su posición alta original junto con la cremallera de enlace.
Tornillo de límite
Durante la operación, puede variar la posición del tornillo de límite según el diámetro de la tubería para obtener la posición preferida de la carrera de la cremallera y la cuchilla de corte, lo que resulta en un mayor rendimiento de corte.
Aviso
Asegúrese de leer todas las instrucciones y avisos en el Manual del usuario, familiarícese con la función de cada pieza y el funcionamiento de esta máquina antes de usarla.El no hacerlo puede causar daños a la máquina o lesiones personales graves.
ENTREGA Y ENVÍO DEL PRODUCTO
NUESTRO SERVICIO
Nuestra empresa conjunta TUWEI de fábrica con Victaulic, una empresa estadounidense famosa que es fabricante de acoplamientos y accesorios ranurados, hemos desarrollado nuestro laboratorio para desarrollar nuevos productos y hacer tantas pruebas como podamos antes del lanzamiento de nuevos productos.Ahora, el nuevo nombre de nuestra empresa es ZHEJIANG VICTAULIC-TUWEI PIPING EQUIPMENT CO.,LTD.
El 'Mantenimiento' y 'Solución de problemas' en el Manual del usuario cubre la mayoría de las necesidades de servicio de esta máquina.Cualquier problema de funcionamiento, mal funcionamiento o requisitos de piezas de desgaste rápido, póngase en contacto con el equipo de ventas de TUWEI como se indica a continuación para obtener la información de contacto del centro de servicio/distribuidor más cercano o el servicio directo de TUWEI.
Nombre de la empresa: ZHEJIANG VICTAULIC-TUWEI PIPING EQUIPMENT CO., LTD.
Dirección: No. 22 Beiyuan Avenue, Zona de desarrollo de Beicheng, Huangyan, 318020, Taizhou, Provincia de Zhejiang, China
Teléfono: 0086-576-84715288